找回密码
 加入我们
搜索
      
查看: 7547|回复: 31

[视听] 性价比之选-飞傲K15解码耳放一体机测评体验(对比K17)

[复制链接]
发表于 2025-10-8 19:50 | 显示全部楼层 |阅读模式
image015.jpg
飞傲K17无疑是飞傲台式产品中颜值担当,但其5000多元的售价让不少消费者望而却步。如今飞傲推出了K15,这款新品延续了K17的备受好评的外形设计,以更亲民的价格登场。K15保留了K17的大部分核心技术,只是在DAC芯片、输出功率等参数上进行了适当调整。接下来,就让我们看看K15的具体表现,以及它和K17之间的差别。
一分钟了解 飞傲K15

参考售价:3499元

调音风格:均衡略偏暖,轻微偏上盘的风格,干净细腻。

适合乐曲类型:杂食

特点:外形漂亮、体积适中、输出功率高、功能全面、接口齐全、支持遥控器、EQ功能强大。

做工水平:优秀/良好/一般/较差

操控体验:优秀/良好/一般/较差

解码芯片: AK4497S*2
输出功率:单端:1400mW32Ω,180mW 300Ω;平衡:3000mW 32Ω,700mW 300Ω(耳机口)

续航时间:无内置电池,需插电源使用
蓝牙支持:SBC/AAC/APTX/APTXLL/APTX HD/APTX ADAPTIVE/LDAC

接口:输出:4.4MM平衡接口、6.35MM接口、RCA、XLR-4平衡、XLR3平衡;输入:光纤、同轴、USB-C、USB-A、以太网、RCA、RS232(和c口长一样,用于EQ设定)
K15和K17的区别

image002.jpg
参数上和K17的主要区别是解码芯片变成双AK4497S;没有独立的DSP芯片,PEQ只支持十段,而且需要连接电脑和RS232接口,然后通过网页版来调曲线,模拟输入也不支持PEQ;晶振不同;输出功率比17略小点。

K15多了DC供电,但内置电源从35w线电变成30w开关电源,取消了内置电源电压切换。

image003.jpg
image004.jpg
外形上两者完全一致,只是背面接口K15少了光纤和同轴输出、没有TRIGGER IN功能以及接口、K15没有LIFT/GND拨档开关。(上面是K15,下面是K17)

image005.jpg
正面旋钮材质也有点区别,K17是金属,K15是塑料。

虽然都是银色,但两者颜色也有点区别,K15更浅,K17更深,且17表面有金属颗粒感,整体质感更好。不过不放一起对比的话K15质感也很不错。
可选配色

image006.png
和K17一样,K15有黑、银两种配色(但银色和17有点差别)。
image007.jpg
包装延续了K17的设计。
image008.jpg
配件:电源线、3.5转6.35MM转接头、XLR盖子、USB-C数据线*2、保险丝、遥控器和电池。

K15尺寸和K17完全一致,约244.6x213x66.8mm,;重量2.1kg,比K17略轻(K17重2.75kg)。(上K15,下K17)

采用的技术

image009.png
它的解码部分是和K17最主要的区别。它同样采用AKM的芯片,但是没有用K17上的旗舰,用的定位稍低的AK4497S*2。

image010.jpg
K15虽然定位稍低,但各种技术同样没有缺席。分立架构的AB类三极管扩留耳放电路;全平衡音频架构;电源、数字、模拟电路独立分板;DC/AC双供电;线性电源+数模分开供电、2颗Accusilicon低相噪飞秒音频晶振、红宝石电容等等,K17有的它几乎都有,只是某些方面规格稍低一点。

作为飞傲亮点的EQ功能它自然没有缺席,只不过它没有搭载专业DSP芯片,PEQ功能需要连接电脑和RS232接口,然后通过网页版来调曲线,同时模拟输入也不支持PEQ。虽然没有K17那么方面,但日常也够用了。

image011.jpg
机身采用铝合金材质,矩形机身搭配圆形旋钮,设计和布局都很合理,外形很漂亮。

耳机的输出接口都位于正面,常用接口都有,使用很方便。XLR由于较大,不用的时候可以用盖板盖上,更美观。

image012.jpg
机身左侧的屏幕是一块3.93英寸触摸屏,可以切换界面对机器进行详细的设置。界面随机器的设计风格做了匹配,主题类似单色显示屏,和整体设计风格很搭。在进行流媒体或者通过U盘本地播放时屏幕可以显示专辑封面。

image013.jpg
虽然整体都是银色,但正面面板和其他部分颜色有点区别,其他部分更接近深灰色。

机器除了正面和后面,其他都是散热口,散热口还增加了防尘网。


image014.jpg
左边的三个旋钮分别是开关、输出切换、增益调节。

旋钮转动手感清脆,做工精致。

image016.jpg
右边两个旋钮分别是菜单控制、音量调节,菜单钮可以按下去进行确认操作。

两个旋钮都带有灯光,灯光颜色和明暗可以进行设置,我个人喜欢和屏幕主题一致的橙色。

旋钮上面做了防滑花纹,旋转阻尼适中且不会晃动,操作手感很不错。

虽然旋钮材质从K17的金属变成塑料,但质感做的不错,和17放在一起对比也没有明显区别,差异仅仅是15旋钮纹路没17那么明显。

image017.jpg
image018.png
K15接口主要设计在背面,接口齐全,USB-B、同轴、光纤、RCA、XLR等都有。(详情请看图)

电源部分采用内置的开关电源,而且模拟和数字部分分开供电。K15新增了外部DC电源接口,可自行升级更高端的线性电源。

image019.png
K15具有8种模式,涵盖了常见的USB解码、数字输入、模拟输入、蓝牙播放、流媒体接收播放、本地播放等常见使用场景,一台机器满足几乎全部需求。

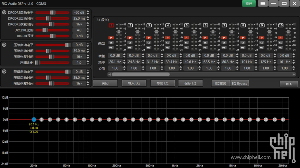
PEQ

PEQ (Parametric Equalizer) 参数化均衡器 是音频处理中的一种技术,是一种用来调整音频信号频率响应的滤波器,通常用于音频处理、音乐制作和音频增强等领域。

image020.jpg
在电脑端下载FiiO Audio DSP 之后用数据线连接机器背面的RS232口就可以进行设定了,设定完成后可以保存在机器上以便后续调用。这个软件功能很全面,可以做很细致的调整,EQ10段可调,每一项都可以做频率、增益值、Q值调整,还可以对动态、压缩等进行调节。飞傲网站有dsp软件的详细使用教程,操作之前建议先看一下说明。

EQ调节的大致思路是你听了耳机发现某部分声音不太满意,比如高频峰太高之类,可以先参考它的频响曲线,再对某频段进行增减,最后调节试听以达到自己满意的效果。EQ调节可以参考知乎大佬 士道坍缩体关于水月雨DSP的使用介绍,他写的很详细。
听感简述

前端对比基于选耳机X-01耳机 单端输出

K15 它的声音是均衡略微偏暖,略偏上盘的风格,比较干净细腻。

低频量适中,质感还不错,但下潜稍欠,回弹速度比较快,几乎没有弥散感,低频干脆利落。它的低频是偏质感,干净紧致的风格,但氛围感有欠缺;人声密度适中,距离适中,有轻微颗粒感和明显线条感,略偏薄,齿音比较明显,男声稍微欠点厚度,相对来说更适合表现女声,但总的来说男女声都还不错,比较温暖细腻;高频略偏亮、密度适中,有一点音染,线条感比较明显,带点颗粒感,质感和延展不错,有轻微残响,是比较悠扬清亮的风格,但搭配某些高频偏亮的耳机可能会过亮。声场表现很好,横向大于纵向,比较规整。结像比较清晰,分离度和动瞬态表现也不错。

对比K17:同样耳机相同增益,k15需要开更大音量才能和K17达到同样声压大小。对比之下,它的低频下潜和氛围感都比K17弱一些,整个低频显得略有点干硬;人声距离更远、更薄,线条感和齿音更明显,整体没有K17的人声那么近、那么厚,感情表达没那么明显;高频比K17更亮更刺激一些,少了点柔和舒展;声音纵向比K17稍逊,整体包围感没那么强,分离度也比17更差点。

总的来说,它的声音素质并没有比17差太多,但风格有一些变化。它声音更偏上盘,更清瘦,没那么柔和顺滑,人声也没那么突出。



K15搭配其他耳机:

GRADO Gh1 这个搭配下声音更冷静内敛,高频比较亮,人声偏薄,低频氛围不够,歌德那种温暖奔放的感觉没有了,过于冷静,同时显得有点干涩,比搭配K17更干薄,这个搭配不太合适。



水月雨天空之城:天空之城不好推,它在SH模式下音量得调到一半才能达到正常声压。这个搭配下天空之城略偏上盘。低频氛围感稍欠,人声有点薄,没K17下那么厚实、饱满,高频比较亮丽、细腻,质感和延展都挺不错的,小提琴之类弦乐挺好听的。总的来说只是人声厚度、分离度稍欠,并没有太严重的问题,但偏上盘的前端搭配天空之城会放大高频偏亮的问题,搭配柔和一些的前端会更合适。

K15更适合搭配中性或偏下盘的耳机,搭配中性点的耳机声音会更偏上盘,更干净通透,搭配偏下盘的耳机能拉回来点,声音更干净,高频也更亮。


总体评价

尽管K15的定位低于K17,同时其旋钮材质有所调整,但实际呈现的效果依然令人满意。在做工和质感上,K15与K17几乎不相上下,两者并无明显差距。它们最显著的区别仅在于面板颜色:K15的银色更浅,而K17的银色更深且更具光泽,同时带有独特的金属颗粒质感。声音方面,由于定位的差异,K15的整体素质自然略逊于K17。但更显著的区别在于调音风格。相比K17的柔和顺滑,K15的声音更纤细,更偏重于高频表现,呈现出一种更为清亮和干净的风格。K15在3000多价位依然是一款非常出色的一体机,它不仅颜值出众,声音表现也在线,喜欢这个外形风格但预算没那么高的朋友不妨看看它。
image001.jpg

评分

参与人数 4邪恶指数 +35 门户文章 +1 收起 理由
李一族 + 20
arealhumanbeing + 10
nApoleon + 1
Wolverine + 5

查看全部评分

发表于 2025-10-8 20:00 来自手机 | 显示全部楼层
感谢分享!
发表于 2025-10-8 21:46 | 显示全部楼层
K17用了9个月,很满意。如果当时有K15,可能就买15了,价格毕竟差了2000,声音估计差别不大。
 楼主| 发表于 2025-10-8 22:32 来自手机 | 显示全部楼层
catbus 发表于 2025-10-8 21:46
K17用了9个月,很满意。如果当时有K15,可能就买15了,价格毕竟差了2000,声音估计差别不大。 ...

声音我详细对比了啊
发表于 2025-10-9 07:21 | 显示全部楼层
价格毕竟差了2000,声音估计差别不大。
发表于 2025-10-9 07:45 | 显示全部楼层
年轻时玩了不少这种设备,退烧了,感觉直连也没什么差距
发表于 2025-10-9 08:57 | 显示全部楼层
这颜值是真的好看,复古又时髦。
发表于 2025-10-9 08:59 | 显示全部楼层
耳机耳放解码这些太小众了,我手上光DAC,数播,解码耳放一体机,纯耳放/功放,6-7台,出了也没几个钱,现在半退烧,毫无升级欲望。倒不如开发真正的HiFi蓝牙耳机。
发表于 2025-10-9 09:19 | 显示全部楼层
K17路过,USB DAC到真力
功能和音质都很满意了
再往上烧也意义不大了
发表于 2025-10-9 09:24 | 显示全部楼层
价格贵了,减2000
 楼主| 发表于 2025-10-9 09:43 | 显示全部楼层
doom4 发表于 2025-10-9 08:59
耳机耳放解码这些太小众了,我手上光DAC,数播,解码耳放一体机,纯耳放/功放,6-7台,出了也没几个钱,现 ...

蓝牙的码率限制很大 目前还不太现实
 楼主| 发表于 2025-10-9 09:45 | 显示全部楼层
westbobo 发表于 2025-10-9 09:19
K17路过,USB DAC到真力
功能和音质都很满意了
再往上烧也意义不大了

对 我主力也是k17 日常足够了 接音箱 接耳机
发表于 2025-10-9 10:46 | 显示全部楼层
听耳机多还是K17,接音箱就K15即可。
 楼主| 发表于 2025-10-9 11:46 | 显示全部楼层
zengshiduoji 发表于 2025-10-9 10:46
听耳机多还是K17,接音箱就K15即可。

还是看预算和喜好吧 k17肯定是更好的
发表于 2025-10-9 16:23 | 显示全部楼层
AKM应该不难听 飞傲水平有限不能碰ESS
发表于 2025-10-9 20:02 | 显示全部楼层
图挂了。
发表于 2025-10-9 20:46 | 显示全部楼层
我是飞傲ft7,听男声多是不是适合k17
发表于 2025-10-9 23:34 | 显示全部楼层
这下种草K17了
发表于 2025-10-10 07:58 | 显示全部楼层
看看评测感觉不错,就是也不知道,很多发烧友对飞傲、拓品这类国产品牌缺乏认同。
k19外观感觉比k17、k15好看,当然价格也贵了很多。
 楼主| 发表于 2025-10-10 09:52 | 显示全部楼层
sukiAsuka 发表于 2025-10-9 20:46
我是飞傲ft7,听男声多是不是适合k17

对 k17更合适
 楼主| 发表于 2025-10-10 09:53 | 显示全部楼层

我这边看是好的
 楼主| 发表于 2025-10-10 09:53 | 显示全部楼层
beornot 发表于 2025-10-10 07:58
看看评测感觉不错,就是也不知道,很多发烧友对飞傲、拓品这类国产品牌缺乏认同。
k19外观感觉比k17、k15好 ...

现在都比较认同了。19太贵了,我也没用过
发表于 2025-10-10 09:57 | 显示全部楼层
非常有价值的一篇评测,非常感谢!
发表于 2025-10-10 10:12 | 显示全部楼层

双十一看看
发表于 2025-10-10 16:02 | 显示全部楼层
我其实没真烧过,现在用的是2017年买的真力、TEAC UD-301和2018年买的HD800S。昨天刚好入了K15替换一下UD301,今天就看到楼主的帖子。
发表于 2025-10-13 09:45 | 显示全部楼层
我觉得这个是飞傲做得最好看的机器之一。
发表于 2025-10-21 07:51 | 显示全部楼层
K19 也出了  和17 有啥区别呢?
 楼主| 发表于 2025-10-23 09:22 | 显示全部楼层
hayamu 发表于 2025-10-21 07:51
K19 也出了  和17 有啥区别呢?

19出的更早。我没用过它
发表于 2025-10-24 18:45 | 显示全部楼层
K15声音是真的比K17差一口气,挺明显的
 楼主| 发表于 2025-10-27 10:28 | 显示全部楼层
dioluve 发表于 2025-10-24 18:45
K15声音是真的比K17差一口气,挺明显的

肯定啊 价格差距挺明显的 但这个价差 我觉得综合也可以了,性价比很高
您需要登录后才可以回帖 登录 | 加入我们

本版积分规则

Archiver|手机版|小黑屋|Chiphell ( 沪ICP备12027953号-5 )沪公网备310112100042806 上海市互联网违法与不良信息举报中心

GMT+8, 2025-11-25 11:34 , Processed in 0.015389 second(s), 8 queries , Gzip On, Redis On.

Powered by Discuz! X3.5 Licensed

© 2007-2024 Chiphell.com All rights reserved.

快速回复 返回顶部 返回列表